集团网站
河姆渡
江苏众城
亿缆
Bestc
用户
员工
供应商
经销商
光系列
云系列
超智系列(AI- 专用智能)
领航系列(IPC-普通智能)
专用产品
NVR-后端存储系列
解码
防爆防腐
云台
专业对讲系列
闸机
显示设备
软件平台
AI智能摄像机产品
存储产品
传输产品
拼接屏
配套产品
枪型摄像机
筒型摄像机
半球型摄像机
球型摄像机
智能后端
测温安检门
摄像机
网络摄像机
网络硬盘录像机
平台服务器
存储服务器
防腐系列
防爆系列
人行道闸系列
车辆道闸系列
拼接屏系列
监视器系列
LED小间距系列
LED全彩屏系列
全彩产品
红外产品
电动变焦产品
智能双光产品
网线产品
交换机产品
立杆箱体
补光灯
护罩
支架
电源
解决方案
成功案例
常见问题
售后服务
下载专区
投诉建议
公司介绍
资质荣誉
加入我们
联系我们
公司新闻
行业资讯
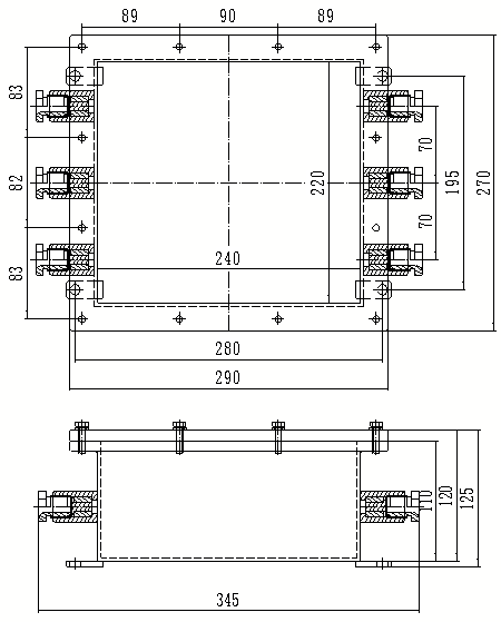
型号
CH-FB202B-F
材质
外壳304不锈钢+防腐塑或316L不锈钢
出线规格
螺纹接口G-3/4",6个出线孔
外形尺寸
308*270*119MM
防护等级
IP66
重量
8.8KG
销售支持
技术支持